搜索
登录
中文
英文
首页
产品中心
DC/DC电源管理芯片
多相数字控制器
智能集成功率器件
降压转换器POL
电子开关/热插拔控制
AC/DC电源管理芯片
非隔离电源
隔离电源
LED照明驱动芯片
非调光
调光
智能面板
电机控制与驱动芯片
电机驱动
MCU
应用
LED照明
智能照明
高性能灯具
通用光源
风扇灯
高性能计算应用
Server
DT
PC(NB/Desk PC/主板)
VGA
汽车电子
汽车风扇
车载水泵
车载压缩机控制
工业应用
两轮电动车
白色家电
电动工具
服务器风扇
消费电子
快充
清洁电器
小家电
高速风筒
服务与支持
销售网络
咨询服务
选型指南下载
投资者关系
信息披露
ESG报告
加入我们
社会招聘
校园招聘
实习生招聘
文化福利
晶星计划
关于我们
公司简介
新闻资讯
分子公司
云游晶丰
DC/DC电源管理芯片
多相数字控制器
智能集成功率器件
降压转换器POL
电子开关/热插拔控制
AC/DC电源管理芯片
非隔离电源
隔离电源
SSR光耦驱动
SSR磁耦驱动
SR同步整流
PSR
LED照明驱动芯片
非调光
AC/DC非隔离低PF
AC/DC非隔离高PF
AC/DC隔离低PF(驱动MOS)
AC/DC隔离低PF(驱动BJT)
AC/DC隔离高PF
线性恒流
线性去频闪
恒压恒流
Boost 恒压恒流
辅助电源
调光
非隔离 PWM调光
线性PWM调光
DC-DC PWM调光
开关调光调色
PWM调色温
0-10V调光
线性可控硅调光
开关可控硅调光
智能面板
单火线
电机控制与驱动芯片
电机驱动
MCU
当前位置:
首页
产品中心
>
AC/DC电源管理芯片
>
非隔离电源
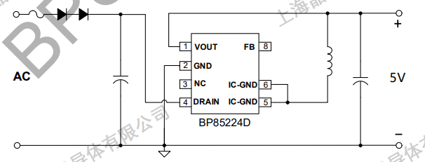
BP85224D
样品申请
简述
优势
应用领域
典型应用原理图
封装
技术文档
相关文章
返回
简述
BP85224D 是一款高性能、高集成度、低待机功耗的开关电源驱动芯片,适用于全电压 85-265VAC 输入的 Buck、Buck-Boost 变换器拓扑应用。 BP85224D 芯片内部集成 650V 高压 MOSFET、高压启动和自供电电路、电流采样电路、电压反馈电路以及续流二极管,采用先进的控制技术,无需外部VCC电容和环路补偿即可实现优异的恒压输出特性,极大地减少外围器件数量,降低系统成本和体积,提高可靠性。 BP85224D 芯片采用多模式控制技术,降低系统待机功耗,提高效率和动态性能,减小系统工作在轻载时的噪声。
优势
集成 VCC 电容、续流二极管和反馈二极管
内部集成 650V 高压 MOSFET
集成高压启动和自供电电路
低待机功耗 50mW@230Vac
固定 5V 输出
优异的动态响应速度,输出电压纹波小
应用领域
小家电辅助电源
电机驱动辅助电源
IOT/智能家居/智能照明
典型应用原理图
封装
技术文档
文档类型
标题
类型
文件下载
规格书
BP85224D
pdf
完整版
咨询